概述
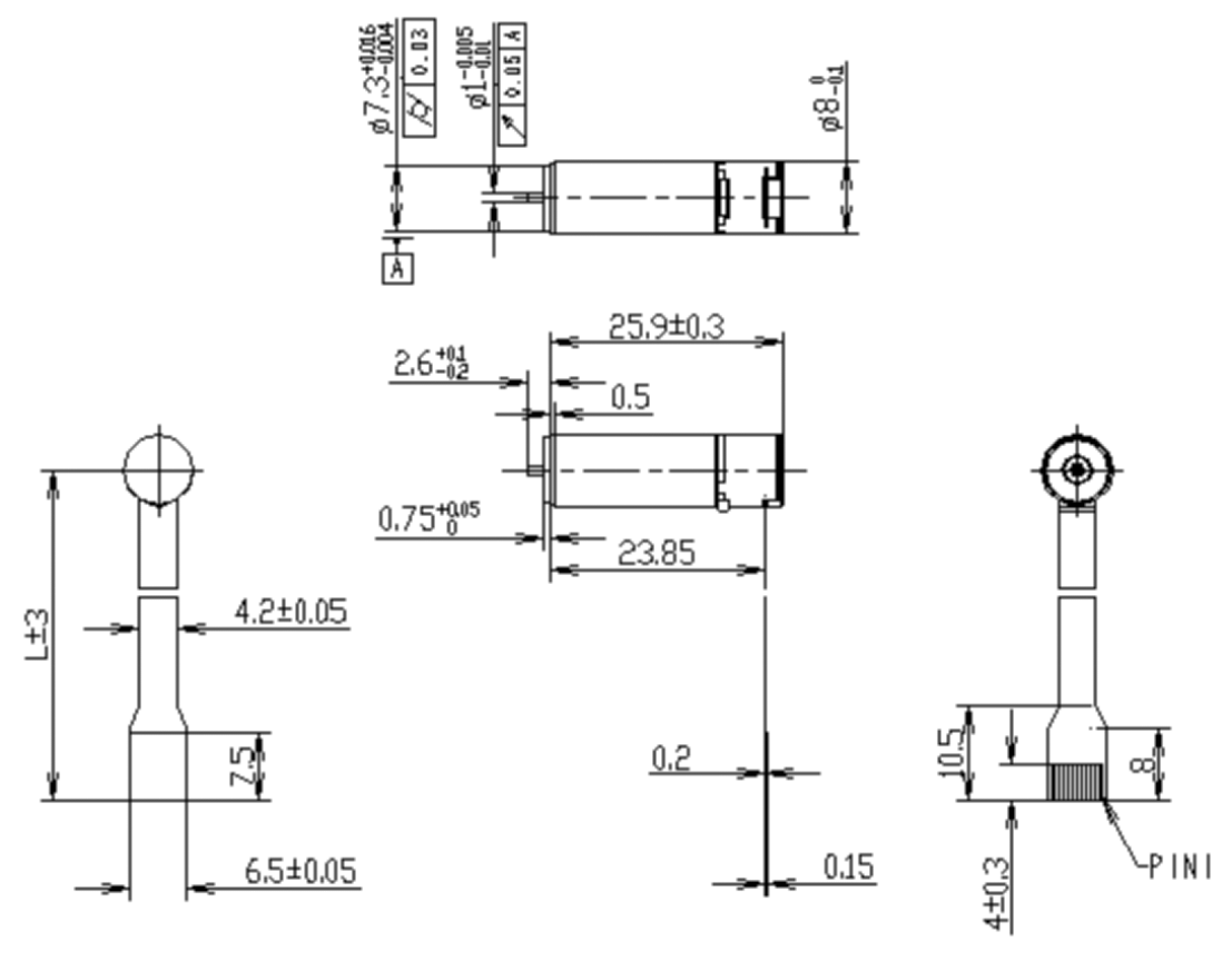
Φ8mm 无刷空心杯电机(MC0824)
产品型号:MC0824
直径(mm):8
长度(mm):24
额定电压(V):12
额定转速(rpm):25500
堵转转矩(mNm):3.5
堵转电流(A) :1.65
转矩常数(mNm/A):2.22
速度常数(rpm/V) :3155
输出轴直径(mm):0.7
电机参数
| 电机数据(额定值) |
| 额定电压(V) |
12 |
| 空载转速(rpm) |
38500 |
| 空载电流(A) |
70 |
| 额定转速 (rpm) |
25500 |
| 额定转矩(mNm) |
0.85 |
| 额定电流(A) |
0.5 |
| 堵转转矩(mNm) |
3.5 |
| 堵转电流(A) |
1.65 |
| 最大效率(%) |
67 |
| 电机常数(额定值) |
| 相间电阻(Ω) |
8.4 |
| 相间电感(mH) |
0.05 |
| 转矩常数(mNm/A) |
2.22 |
| 速度常数(rpm/V) |
3155 |
| 转速/转矩斜度( rpm/mNm) |
11000 |
| 机械时间常数(ms) |
2.87 |
| 转子惯量(gcm2) |
0.024 |
| 热参数 |
| 机壳-环境热阻(K/W) |
56.6 |
| 绕组-机壳热阻(K/W) |
11.5 |
| 绕组热时间常数(s) |
3.7 |
| 电机热时间常数(s) |
120 |
| 环境温度(℃) |
?? -20…+100 |
| 最高绕组温度(℃) |
125 |
| 机械参数(滚珠轴承) |
|
| 最大允许转速(rpm) |
40 000 |
| 最大轴向间隙(mm) |
< 0.15 N? ?0 |
| > 0.15 N? ?0.06(max) |
| 径向间隙 |
preloaded |
| 最大轴向动态载荷(N) |
2 |
| 最大允许安静态装力(N) |
10 |
| 最大径向载荷,距离法兰处2mm处(N) |
5 |
*注:以上具体参数可根据客户要求定制。
-
MC0408
额定电压5 V
堵转转矩0.07 mNm
额定转速41900 rpm

查看详情
-
-
资料下载

Φ8mm 无刷空心杯电机(MC0824)规格书
HJC黄金城官网 — 微型驱动系统制造商
专注于研发、生产精密驱动系统,为客户提供智能驱动方案设计,零件的生产与组装的定制化服务
立即咨询 >